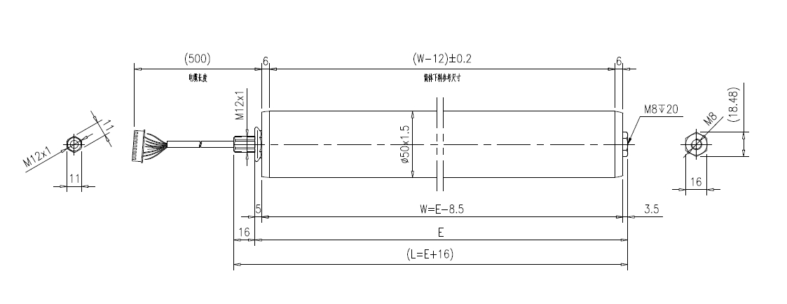
電動輥筒(無驅動 直式)
關于天和
天和簡介
企業文化
質量控制
天和動態
天和產品
物流設備標準零組件
- 無動力輥筒系列
- 動力輥筒系列
- 積放輥筒系列
- 轉彎輥筒系列
- 非標加工輥筒
標準模塊化輸送機(物流設備)
- 無動力輸送機系列
- 動力輸送機系列
散料輸送設備零組件
- 噴塑托輥(出口)
- TD75型國標選型
- DTII型國標選型
- 非標零組件
帶式輸送機(散料輸送)
天和案例
物流設備標準零組件
- 無動力輥筒
- 動力輥筒
- 積放輥筒
- 轉彎輥筒
- 非標輥筒
標準模塊化輸送機(物流設備)
- 無動力輸送機
- 動力輸送機
散料輸送設備零組件
- 噴塑托輥(出口)
- 托輥系列
- 滾筒系列
- 功能性托輥組
- 附屬產品
帶式輸送機(散料輸送)
下載中心
電動輥筒 選型手冊 2024.04版
散料輸送標準零組件(托輥、滾筒)
聯系天和
地 址:浙江省 湖州市 吳興區 城南工業園
    會家山路33號
電 話:0572-250 6910 / 250 6129
傳 真:0572-250 5442
郵 箱:sales#huzhoutianhe.com(#替換成@)
湖州天和機械微信公眾號
微信公眾號